我們現在將查看(kàn) DPDT 紐子(zǐ)開關的接線圖。 下圖為雙刀雙擲紐子開關接線示意圖:

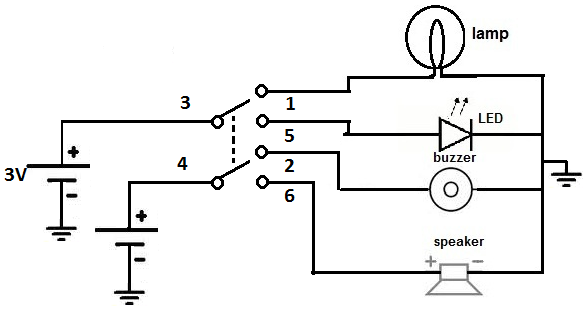
DPDT 紐子開關有 6 個端子。端子 3 和 4 代表撥動開關。這些端子接收驅動端子 1 和 5 以(yǐ)及 2 和 6 上的負載所需的功率。端子 3 可以在端子 1 和 5 之間翻轉。因此(cǐ),如果風扇連接到端子 1 並且電機連接到(dào)端子 5,則端(duān)子(zǐ) 3 ,代表撥動開關,可以在運行風扇和運行(háng)電機(jī)之間切換。端子 4 也是如此。端子 4 可以在(zài)端子 2 和端子 6 之間切換。因此,如果(guǒ)將(jiāng)加熱器連接到端子 2,並且將鼓風機連接到端(duān)子 6,則代表撥動開關的端子 4 可以在加熱器之(zhī)間切(qiē)換和鼓風機。 DPDT 開關有 2 個輸入開關,每個輸入開關可以連接(jiē)到 2 個端子之一。因此,它可以用 2 個開關控製 4 個(gè)不同(tóng)的電路或設備(bèi)。
DPDT紐子開關的示例電路如下所示:


Chinese
English




